C. Gusea, S. Koenningsa, A. Maschkea, M. Hackera, C. Beckera, S. Schreinera, T. Blunka, T. Sprussb, A. Goepfericha,⚹
aDepartment of Pharmaceutical Technology, University of Regensburg, Universitatsstrasse 31, D-93040 Regensburg, Germany; bDepartment of Pharmaceutical Chemistry, University of Regensburg, Universitatsstrasse 31, D-93040 Regensburg, Germany.
A. Goepferich, Tel.: +49 941 943 4843; fax: +49 941 943 4807; E-mail: achim.goepferich@chemie.uni-regensburg.de.
Abstract
Triglycerides are a promising class of material for the parenteral delivery of drugs and have become the focus of tremendous research efforts in recent years. The aim of this study was to investigate the biocompatibility of glyceroltripalmitate as well as the influence of cholesterol and distearoyl-phosphatidyl-choline (DSPC) on the erosion behavior of the lipid. For these investigations, two in vivo studies were carried out, in which cylindrical matrices of 2 mm diameter were manufactured and subcutaneously implanted in immunocompetent NMRI-mice. After excision of the implants, tissue reactions of the animals as well as changes in the weight, shape and microstructure of the implants were investigated. The triglyceride and cholesterol showed good biocompatibility, as indicated by their minimal encapsulation in connective tissue and the absence of inflammatory reactions. Increasing the levels of phospholipid in the implants, however, led to an increased inflammatory reaction. In contrast to cholesterol, which did not affect erosion, the incorporation of DSPC into the triglyceride matrices led to clearly visible signs of degradation.
Keywords: Implants; Biocompatibility; Triglyceride; Phospholipid; Cholesterol.
Introduction
In the treatment of many diseases, such as brain tumors, acromegaly, or diabetes mellitus, the controlled release of a medication over weeks or months is desirable to facilitate therapy and increase patient compliance (Pech et al., 1998; Freda, 2003). Consequently, a plethora of controlled release forms have been investigated, such as nano- and microparticles and implants. Currently, commercially available implantable delivery systems are frequently made of biodegradable polymers. They possess many positive characteristics, such as good biocompatibility (Anderson and Shive, 1997; Royals et al., 1999; Ronneberger et al., 1997), a chemical structure that results in diverse release properties, biodegradability, and well-defined degradation pathways. However, some of these materials expose drugs to a changing microenvironment inside the eroding implants with acidic pH (Brunner et al., 1998), increased osmotic pressure (Brunner et al., 1998), or degradation products that can affect the stability of incorporated compounds, especially proteins and peptides (Lucke and Goepferich, 2003). Therefore, alternative materials, such as hydrogels, have been investigated (Konishi et al., 2003; Brahim et al., 2002) and recently much attention has been given to lipophilic substances such as cholesterol, phospholipids, mono-, di- and triglycerides or mixtures of these materials (Tardi et al., 2001; Morehead et al., 1998). Cholesterol and triglycerides have been successfully used to control drug release over several weeks (Vogelhuber et al., 2003; Maschke et al., 2004), however, their biocompatibility has not yet been investigated. Therefore, we decided to examine the tissue reactions of mice to subcutaneously implanted lipid matrices. Although microparticles have a small size, round shape and smooth surface, and thus reduce mechanical irritation, we decided to use cylindrical macroscopic implants for in vivo experiments to facilitate recovery of the implant. We chose glyceroltripalmitate for our investigation into triglyceride biocompatibility and compared it to poly(lactic-co-glycolic acid) (PLGA) and gelatine, which are considered to be well tolerated. Furthermore, the in vivo erosion behavior of the triglyceride and the effects of incorporated erosion-modifying components were investigated. Due to their promising release characteristics (Vogelhuber et al., 2003; Guse et al., 2002), cholesterol and distearoyl-phosphatidyl-choline (DSPC), a phospholipid with two stearic acid side chains, were chosen to serve as erosion modifiers in this study.
Materials and methods
Materials
The glyceroltripalmitate (Dynasan® 116) used in matrix preparation was purchased from Sasol GmbH, Witten, Germany. The phospholipid distearoyl-phosphatidyl-choline (DSPC) was obtained from Lipoid GmbH, Friedrichshafen, Germany and Resomer® RG502 (PLGA Mw = 17,000) was a gift from Boehringer Ingelheim, Ingelheim, Germany. Gelatine, cholesterol and pyranine were purchased from Sigma-Aldrich, Deisenhofen, Germany.
Methods
Sterilization of matrix materials
The phospholipid was produced under aseptic conditions by the manufacturer and therefore underwent no additional steril-ization procedure. Glyceroltripalmitate was sterilized for 2 h at 160 °C in a Memmert U40 drying oven (Memmert, Schwabach, Germany) and afterwards tempered at 55 °C for three days to obtain the stable β-modification (Maschke et al., 2004). A 0.1% gelatine solution in double-distilled water was filtered through a PES membrane filter with 0.2 μm pore size (Corning, New York, USA) and freeze dried using a RV5 two stage oil pump from Edwards (Crawley, Sussex, UK). After the drying step it was ground in a porcelain mortar (Rosenthal, Selb, Germany) under liquid nitrogen. Then the gelatine as well as the untreated PLGA were sterilized by UV irradiation for two hours (UV-Technik and Speziallampen GmbH, 1999). Cholesterol was dissolved in diethyl ether, subsequently filtered through said filter and then dried under vacuum at room temperature in a vacuum desiccator, which was sterilized before for 2h at 160 °C in the aforementioned heating oven.
Preparation of sterile matrices
All matrices were manufactured under laminar air flow (UVF 6.12 S, BDK Luft-und Reinraumtechnik GmbH, Sonnenbuehl- Gengkingen, Germany) to avoid bacterial contamination using a manual press (Fig. 1a, b), which had undergone a heat steril-ization process at 160 °C for 2h. The produced implants had a diameter of 2 mm and a weight of 6.0 ± 0.5 mg. A compression force of approximately 250 N was applied. The sterility of the obtained implants was tested, according to the European Phar-macopoeia, in the Institute of Pathology at the medical center of the University of Regensburg (all samples were found to be sterile).

Figure 1. (a) Manual press for implant manufacture. (b) Schematic of the compression molding.
In vivo biocompatibility and erosion studies
Two in vivo studies were carried out with female NMRI mice (8 weeks old at the beginning of the experiment, Charles River Deutschland GmbH (Sulzfeld, Germany)). After anesthetization with a combination of 100 mg/kg ketamine and 4-6 mg/kg xylazine, the animals underwent subcutaneous implantation of one matrix in each flank. Afterwards the wound was closed with sterile Michel suture surgical clips (7.5 mm x 1.75 mm, Fine Science Tools, Heidelberg, Germany). Then the animals were returned to the housing facility where they were kept under a 12 h/12 h light/dark cycle at 20 °C and 50% relative humidity, and had free access to food (ssniff R/M-H, Lage, Germany) and tap water. In the first study, mice were sacrificed 2, 4, 8, 30 and 60 days post operation by cervical dislocation and the implants were excised. One implant served to evaluate tissue reactions, while the other was used to investigate the swelling and microstructure of the implant. The study design with a detailed time schedule is shown in Tables 1 and 2. Tissue samples containing one of the two implants from each mouse were fixed in Bouin’s solution, and processed for routine paraffin histology. Afterwards, 6 μm sections were stained according to the method detailed by Masson and Goldner and examined with an Olympus BH-2 light microscope (Olympus, Hamburg, Germany). The other implant was first detached from the surrounding tissue and then weighed on a Mettler Toledo AT261 analytical scale (Mettler Toledo, Giessen, Germany) to investigate its swelling before being examined by light microscopy, as described in Section 2.2.5. After a freeze-drying step, which is explained in Section 2.2.4, the implants were reweighed to quantify erosion and subsequently re-examined by light microscopy. Afterwards, the freeze-dried implants were manually broken into two parts and both the surface and cross-section were imaged using scanning electron microscopy, as described in Section 2.2.5.
Freeze-drying of the implants
For the drying procedure, a Christ beta 2-16 freeze dryer (Christ, Osterode am Harz, Germany) was used. The implants were frozen to -40 °C over 3 h before starting the main drying step, which was carried out for 24 h at 8 °C and 0.05 mbar. For the final drying step, the samples were treated at room temperature and 0.005 mbar for 2h.
Scanning electron microscopy (SEM) and light microscopy investigations
The samples were examined by light microscopy with a M75 zoom-stereomicroscope (Wild, Heerbrugg, Switzerland). The implant microstructure was examined by scanning electron microscopy (SEM). Samples were glued to aluminium sample holders (machine shop, University of Regensburg, Germany) using Leit Tabs (Ted Pella Inc., Redding, CA, USA) and gold sputtered for 4 min under argon atmosphere using a Polaron Automatic Sputter Coater E 5200 from Polaron Equipment Ltd. (Watford, UK). The coated samples were finally analyzed using a DSM 950 Scanning Microscope from Carl Zeiss (Jena, Germany).
Results and Discussion
In vivo biocompatibility study
We first investigated the in vivo behavior and tolerance of pure triglyceride implants. Time points for the explantation were days 2,4 and 8 for the investigation of acute reactions and days 30 and 60 to detect chronic tissue reactions. Gelatine and PLGA were chosen as controls with known good biocompatibility. In a second test group, the triglyceride implants were supplemented with 1% gelatine, which can serve as a hydrogel-forming carrier for highly potent substances like growth factors (Tabata et al., 1999). The time schedule for this biocompatibility study is given in Table 1. Although implants made of pure gelatine were already eroded after 2 days, the defined outlines of the implants were visible until day 4 and good biocompatibility was observed in all histological sections. One cell layer of connective tissue formed around the implant, but no increase in inflammatory cells was observed (data not shown). Recovery of the PLGA implants was possible up to day 30, whereas after 60 days the material was completely eroded and no implant residues could be found in the subcutaneous tissue. Histological investigations of the polymer implant also revealed good tolerance, evidenced by the minimal encapsulation by connective tissue (one to five cell layers) and no adverse reaction, such as an increase in inflammatory cells (data not shown). Because the glass transition temperature (Tg) of Resomer® RG502 (Tg = 46 °C) is near the body temperature of the mice [36.5-38 °C, (Baumans, 1999)], the implants underwent deformation and lost their cylindrical shape (Fig. 2), which led to less mechanical irritation and thus to a reduction of foreign body reaction (Hilborn, 2004). The implants of the two test groups remained stable over 60 days and maintained their cylindrical shape. Implants prepared with and without gelatine showed similar results concerning the tissue reactions, therefore only histological pictures of pure glyceroltripalmitate implants are shown (Fig. 3). Encapsulation in connective tissue by abundant fibroblasts was observed in both groups and became more apparent with time. A histological section of the typical tissue response to a glyceroltripalmitate implant 4 and 30 days after implantation is shown in Fig. 3. At days 30 and 60, the thickness of the capsule amounted to 5-10 cell layers compared to one to five layers at the earlier time points. The intensity of the encapsulation into connective tissue was comparable to that of the PLGA implants. In a few histological sections at early time points in both groups isolated foreign body giant cells or macrophages were seen, but for the most part no increase of inflammatory cells was observed. This rarely occurring mild foreign body reaction, which was restricted to the interface and regions very close to the implant surface, might not necessarily be related to the material, but rather be induced by mechanical irritation of the subcutaneous tissue due to the rough edges of the cylindrical implants (Hilborn, 2004). Apart from collagenous encapsulation 30 and 60 days after implantation, no further reaction of the organism to the implants (e.g., increase in mononuclear cells) was observed in either the subcutaneous tissue adjacent to the implants or in other sites in the animals.

Figure 2. Light microscopy image of a PLGA implant excised at d2.

Figure 3. Light microscopy images of a typical tissue response to glyceroltripalmitate matrix at d4 (left) and at d30 (right), Masson and Goldner stained, both 400×, region of the implant marked at the left side.
Table 1. Time schedule for biocompatibility study of glyceroltripalmitate.

When the stability of the implants was examined, it was seen that the triglyceride matrices showed no significant swelling and only a slight increase in dry weight 2,4, and 8 days after implan-tation (Fig. 4). This may be due to the adhesion of connective tissue that could not be completely removed before drying and weighing of the implants. At days 30 and 60, when the implants were completely encapsulated by connective tissue, a more distinct shift in the dry weight of the matrices was observed (Fig. 4), which demonstrates the stability of the implants over the entire time period and their suitability for a long term release.

Figure 4. In vivo erosion and swelling of glyceroltripalmitate matrices, normalized to the pre-implantation weight.
SEM pictures showed that the surface of the pure triglyceride matrices became absolutely smooth (Fig. 5a, b), adhered particles were no longer seen and grooves, stemming from the compression, disappeared (over the 30 day implantation period).


Figure 5. (a) Top view (left, 45 x) and cross-section (right, 100x) of glyceroltripalmitate matrix before implantation. (b) Top view (left, 45 x) and cross-section (right, 100x)of glyceroltripalmitate matrix excised at day 30. (c) Top view (left, 45x)and cross-section (right, 100x)of glyceroltripalmitate matrix containing 1% gelatine before implantation. (d) Top view (left, 45 x) and cross-section (right, 100 x) of glyceroltripalmitate matrix containing 1% gelatine excised at d30.
A few remnants of connective tissue that could not be removed were seen, due to the encapsulation of the implants in the sub-cutaneous tissue in mice. Cross-sections of matrices made of pure glyceroltripalmitate (Fig. 5a, b) showed no alteration in the microstructure. Neither signs of degradation, such as pore formation, nor changes in the crystal structure were observed. Implants containing 1% gelatine, however, showed slight signs of erosion, due to the degradation of the water-soluble compound (Fig. 5c, d). This was apparent in the formation of pores and cavities, which also led to disruptions in the lipid implants. This again demonstrated the stability of the implants, but also showed that the erosion of the triglyceride implants can be influenced by incorporation of a water-soluble compound into the matrix.
In vivo erosion study
Even though the observed in vivo stability of the triglyceride is a positive result, because the material is suitable for long term release applications, the erosion of the material would have to be accelerated eventually to generate an applicable biodegrad-able device and to obtain a greater flexibility with respect to the adjustment of release rates. With regard to the in vitro release characteristics (Vogelhuber et al., 2003; Guse et al., 2002), cholesterol and DSPC were chosen to investigate their influence on the erosion behavior of glyceroltripalmitate. Gelatin, which led to fast release when incorporated into triglyceride matrices in higher amounts (Vogelhuber et al., 2003) was not investigated in the following experiments. To examine the in vivo effects of the phospholipid, two different ratios of the triglyceride and DSPC were investigated. Implants were manufactured that contained 10% and 50% (w/w) of the phospholipid. Cholesterol was mixed with glyceroltripalmitate in ratios of 1:1 and 9:1. Both mixtures were investigated for their in vivo erosion behavior up to 35 days. A detailed time schedule of the study is depicted in Table 2.
Table 2.Study design of erosion behavior investigations.

In this experiment, the addition of cholesterol did not lead to any change in the erosion of the triglyceride. All implants of the cholesterol groups remained stable, maintained their cylindrical shape, and no evidence of significant erosion was observed. SEM photographs showed similar behavior in these implants as was described above for the glyceroltripalmitate implants. There was no observable change in the microstructure or pore formation (Fig. 6).

Figure 6. Cross-section of 100% cholesterol matrix before implantation (left) and excised at day 35 (right), both 150 x.
DSPC containing implants showed distinct swelling and erosion in both ratios, demonstrated through both an increase in wet weight and a loss in weight after freeze drying of the implants (Fig. 7). The strong adherence of some connective tissue that could not be removed caused a very high standard deviation in the measured implant masses of the 50% DSPC implants at day 28. The constructs with the higher lipid content had already lost their cylindrical shape 6 days post-implantation and distinct signs of erosion like pore formation were observed by SEM throughout the course of the study. Fig. 8 shows the changes in these matrices over the course of the study. Two days after implantation, a few pores and slight changes in microstructure of the implants were already observed; the implant collapsed at day 6 and distinct hollows were formed until day 28. These observations clearly demonstrated the influence of the DSPC on the accelerated erosion of the triglyceride implants. A foreign body reaction at the implantation site was observed, however, when DSPC was incorporated into the matrices. This mild tissue response was seen in the form of a slight increase in the presence inflammatory cells, such as foreign body giant cells and disappeared with time in case of the 10% DSPC containing implants. At the end of the study, only connective tissue produc-ing fibroblasts were observed, which indicates that the inflam-matory reaction was only an acute tissue response (Fig. 9a). Comparable tissue reactions showing a slight foreign body reaction, noticeable through appearance of a few inflammatory cells, primarily foreign body giant cells, have already been reported for biodegradable polymers (Saadetal., 1997; Bergsmaetal., 1996; Van Dijkhuizen-Radersma et al., 2002), whose biocompatibility is accepted to be at least satisfactory. Implants containing 50% phospholipid resulted in a more persistent inflammatory reaction, in which both foreign body giant cells and granulocytes were visible and a chronic tissue response with an increase of inflammatory cells and mononuclear infiltrates (Fig. 9b) was observed. Thus, this inflammatory reaction appears to be dependent on the amount of the phospholipid present, and the tissue response is not related to the triglyceride. It might be caused by the surfactant characteristics of the DSPC or due to the increased roughness of the implant surface followed by increased mechanical irritations, which might also lead to an increase in foreign body reactions (Hilborn, 2004).

Figure 7. Swelling and erosion behavior of triglyceride matrices containing 10% DSPC (left) and 50% DSPC (right), respectively, normalized to 1.0 by the preimplantation mass.


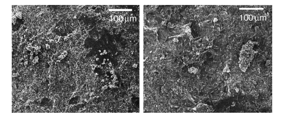
Figure 8. (a) SEM images of the top view (left, 40 x) and cross-section (right, 150x)of1:1 glyceroltripalmitate: DSPC matrix before implantation. (b) SEM images of the top view (left, 40 x) and cross-section (right, 150x) of 1:1 glyceroltripalmitate: DSPC implant excised at day 2. (c) SEM images of the top view (left, 25 x) and cross-section (right, 150 x) of 1:1 glyceroltripalmitate: DSPC implant excised at day 6. (d) SEM images of the top view (left, 25 x) and cross-section (right, 150 x) of 1:1 glyceroltripalmitate: DSPC implant excised at day 28.

Figure 9. (a) Light microscopy images of histological sections of implant containing 10% phospholipid at day 7 (left, 200x) and day 35 (right, 400x), Masson and Goldner stained, region of the implant marked. (b) Light microscopy images of histological sections of implant containing 50% phospholipid at day 2 (left, 200 x) and day 28 (right, 400 x), both Masson and Goldner stained, arrow marks a local connective tissue proliferation, double arrows mark granulocytes.
Conclusion
Glyceroltripalmitate was shown to be biocompatible in vivo, since neither a significant inflammatory response nor a cyto-toxic reaction were observed in mice over a period of 2 months. Furthermore, cholesterol emerged as a well tolerated material when implanted subcutaneously, although the attempt to influence the erosion rate of the triglyceride by mixing it with cholesterol failed. Distinct signs of implant degradation were achieved by using 1:1 mixtures of DSPC with glyceroltripalmi- tate, but in these concentrations a foreign body reaction was observed. Further aspects influencing the degradation time of the triglyceride, like the size of the implanted material, crys-tallinity, and surface structure, are currently being investigated. In addition, future work will also focus on the use of phospho-lipids with shorter fatty acid chains and other molecules, such as hydrogel-forming substances, which could function as erosion modifiers.
Acknowledgements
This work was part of the European Union Biodegradable Controlled Drug Delivery Systems project (Research and Tech-nological Development Project BCDDS, Contract No. QLK3- CT-2001-02226). The authors also gratefully acknowledge the Forschungsgemeinschaft der Arzneimittelhersteller (FAH) for financial support and Boehringer Ingelheim for the donation of the PLGA.
References
Anderson, J.M., Shive, M.S., 1997. Biodegradation and biocompatibility of PLA and PLGA microspheres. Adv. Drug Deliv. Rev. 28, 5-24.
Baumans, V., 1999. The laboratory mouse. In: Poole, T. (Ed.), The UFAW Handbook on the Care and Management of Laboratory Animals, vol. 1. Blackwell Science, Oxford, pp. 282-312.
Bergsma, J.E., Bos, R.R.M., Rozema, F.R., de Jong, W., Boering, G., 1996. Biocompatibility of intraosseously implanted predegraded poly(lactide): an animal study. J. Mater. Sci.: Mater. Med. 7, 1-7.
Brahim, S., Narinesingh, D., Guiseppi-Elie, A., 2002. Bio-smart hydrogels: co-joined molecular recognition and signal transduction in biosensor fabrication and drug delivery. Biosens. Bioelectron. 17, 973-981.
Brunner, A., Mader, K., Goepferich, A., 1998. The chemical microenvironment inside biodegradable microspheres during erosion, Proceedings of the 25th International Symposium on Control. Rel. Bioact. Mater, pp. 154-155.
Freda, P.U., 2003. How effective are current therapies for acromegaly. Growth Hormone IGF Res. 13, S141-S151.
Guse, C., Schreiner, S., Spruß, T., Blunk, T., Goepferich, A., 2002. Phospholipids as a release modifier for triglyceride matrices. DPhG Jahrestagung, Berlin (Germany).
Hilborn, J., 2004. A new evolving paradigm for biocompatibility. Cytotherapy 6, 265.
Konishi, M., Tabata, Y., Kariya, M., Suzuki, A., Mandai, M., Nanbu, K., Takakura, K., Fujii, S., 2003. In vivo anti-tumor effect through the controlled release of cisplatin from biodegradable gelatin hydrogel. J. Control. Rel. 92, 301-313.
Lucke, A., Goepferich, A., 2003. Acylation of peptides by lactic acid solu-tions. European J. Pharm. Biopharm. 55, 27-33.
Maschke, A., Lucke, A., Vogelhuber, W., Fischbach, C., Appel, B., Blunk, T., Goepferich, A., 2004. Lipids: an alternative material for protein and peptide release, ACS Symposium Series, 879 (carrier-based drug delivery), pp. 176-196.
Morehead, D.T., Pankhurst, N.W., Ritar, A.J., 1998. Effect of treatment with LH-RH analog on oocyte maturation, plasma sex steroid levels and egg production in female striped trumpeter Latris lineata (Latrididae). Aquaculture 169, 315-331.
Pech, I.V., Peterson, K., Cairncross, J.G., 1998. Chemotherapy for brain tumors. Oncology 12, 537-553.
Ronneberger, B., Kissel, T., Anderson, J.M., 1997. Biocompatibility of ABA triblock copolymer microparticles consisting of poly(L-lactic-co-glycolic- acid) A-blocks attached to central poly(oxyethylene) B-blocks in rats after intramuscular injection. Eur. J. Pharm. Biopharm. 43, 19-28.
Royals, M.A., Fujita, S.M., Yewey, G.L., Rodriguez, J., Schultheiss, P.C., Dunn, R.L., 1999. Biocompatibility of a biodegradable in situ forming implant system in rhesus monkeys. J. Biomed. Mater. Res. 45, 231-239.
Saad, B., Keiser, O.M., Welti, M., Uhlschmid, G.K., Neueuschwandner, P, Suter, U.W., 1997. Multiblock copolyesters as biomaterials: in vitro biocompatibility testing. J. Mater. Sci.: Mater. Med. 8, 497-505.
Tabata, Y., Nagano, A., Ikada, Y., 1999. Biodegradation of hydrogel carrier incorporating fibroblast growth factor. Tissue Eng. 5, 127-138.
Tardi, C., Drechsler, M., Bauer, K.H., Brandl, M., 2001. Steam sterilisation of vesicular phospholipid gels. Int. J. Pharm. 217, 161-172.
UV-Technik, Speziallampen GmbH, 1999. Desinfektion mit UV Strahlung: Strahlenquellen, technische Hinweise und Anwendung, Wümbach, Germany.
Van Dijkhuizen-Radersma, R., Hesseling, S.C., Kaim, P.E., de Groot, K., Bezemer, J.M., 2002. Biocompatibility and degradation of
poly(ether-ester) microspheres: in vitro and in vivo evaluation. Biomaterials 23, 4719-4729.
Vogelhuber, W., Magni, E., Gazzaniga, A., Goepferich, A., 2003. Monolithic glyceryl trimyristate matrices for parenteral drug release applications. Eur. J. Pharm. Biopharm. 55, 133-138
.